


Круги подходят для большинства популярных марок и моделей заточных станков, включая: Wood-Mizer, Timberwolf, Simonds, Kasco, Morse, Lenox, Dakin Flathers (Ripper 37)
Подходит для ленточных пил из быстрорежущей стали (HSS) и углеродистой стали, используется в лесопильных и заточных мастерских.

Выберите оптимальный профиль CBN-круга в зависимости от условий резания и сезона:
10/30 Универсальный – подходит для большинства задач
9/29 Для твёрдых пород и зимней распиловки
13/29 Для мягкой древесины и летнего периода
4/32 Для очень твёрдой и замёрзшей древесины
7/34 Рекомендуется для твёрдых пород древесины
- Полная совместимость с оборудованием Wood-Mizer
- Стабильная форма зуба и высокое качество заточки
- Быстрая и чистая работа без перегрева
- Не требует правки и балансировки
- Длительный срок службы и экономичность

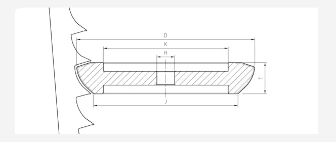
| Внешний диаметр | Посадочное отверстие | ||
| inch | mm | inch | mm |
| 5 | 127 | 1/ 2 | 12.7 |
| 6 | 150 | 25/32 | 20 |
| 8 | 203 | 1, 1 1/4 | 25.4, 32 |
| Специальные размеры могут быть изготовлены в соответствии с профилем ленточной пилы. | |||